全国服务热线159526243420523-84580070
15952624342
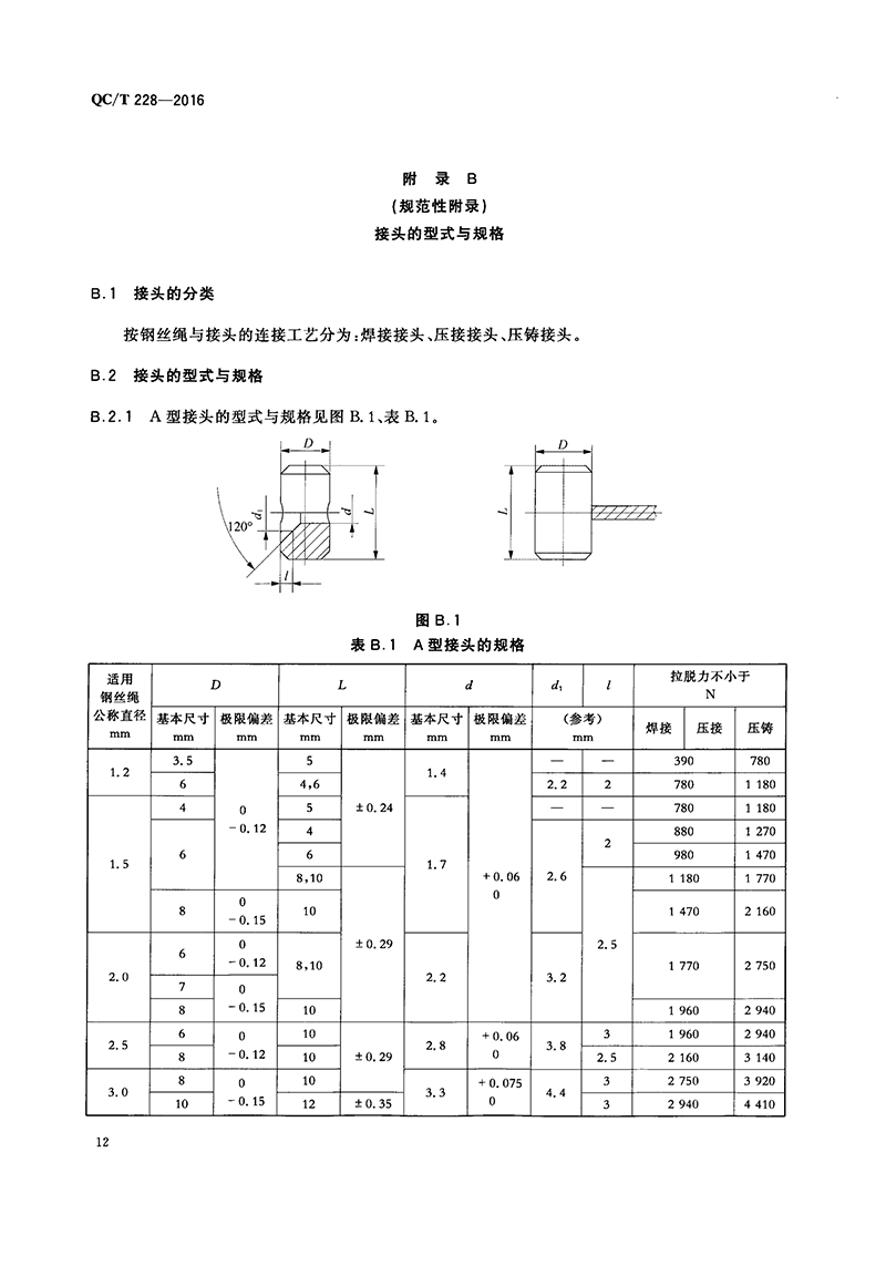
首页 > 新闻信息 > 公司新闻 > 接头的型式与规格
Copyright 靖江市骏程叉车配件有限公司 版权所有 网站备案号: 苏ICP备17047571号-1
QQ咨询
联系电话
微信扫一扫
返回顶部